极速交货
30天极速交货



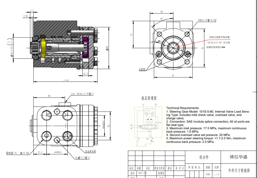
101S-5-80 转向器是一款坚固耐用且可定制的液压转向器,排量为 80 cc/转,专为物料搬运、建筑、农业和工业车辆的各种应用而设计。它具有 17.5 MPa 的最大输入压力,采用耐用的铸铁构造。是寻求高性能、可靠转向解决方案的原始设备制造商和分销商的理想选择。
| 材质 | 铸铁 |
|---|---|
| 额定流量 | 5 L/min,6 L/min,8 L/min,10 L/min,12.5 L/min,16 L/min,20 L/min,25 L/min,28 L/min,31.5 L/min,40 L/min |
| 阀块 | 可定制 |
| 最大持续背压 | 2.5 Mpa |
| 最大输入压力 | 17.5 Mpa |
101S-5-80 转向器是一款高性能液压转向器,专为严苛应用而设计。其 80 cc/转的排量为高效转向控制提供了充足的流量。该装置采用耐用的铸铁构造,以实现长久性能并抵抗磨损。17.5 MPa 的最大输入压力确保即使在重载下也能可靠运行。可定制的阀块允许灵活集成到各种机器设计中,使其成为适用于不同应用的多功能解决方案。其 8 升/分钟的额定流量可在各种机器中提供最佳性能。我们提供制造、原始设备制造商 (OEM)、原始设计制造商 (ODM)、自有品牌和批发选项。101S-5-80 适用于多种应用,包括叉车、伸缩臂叉车、滑移装载机、紧凑型轮式装载机、小型挖掘机、拖拉机、反铲挖土机、收割机和打包机。我们正在积极寻求分销商、批发商、代理商和贸易商,以扩大我们的全球业务范围。请联系我们讨论您的具体要求并探讨潜在的合作关系。



