极速交货
30天极速交货



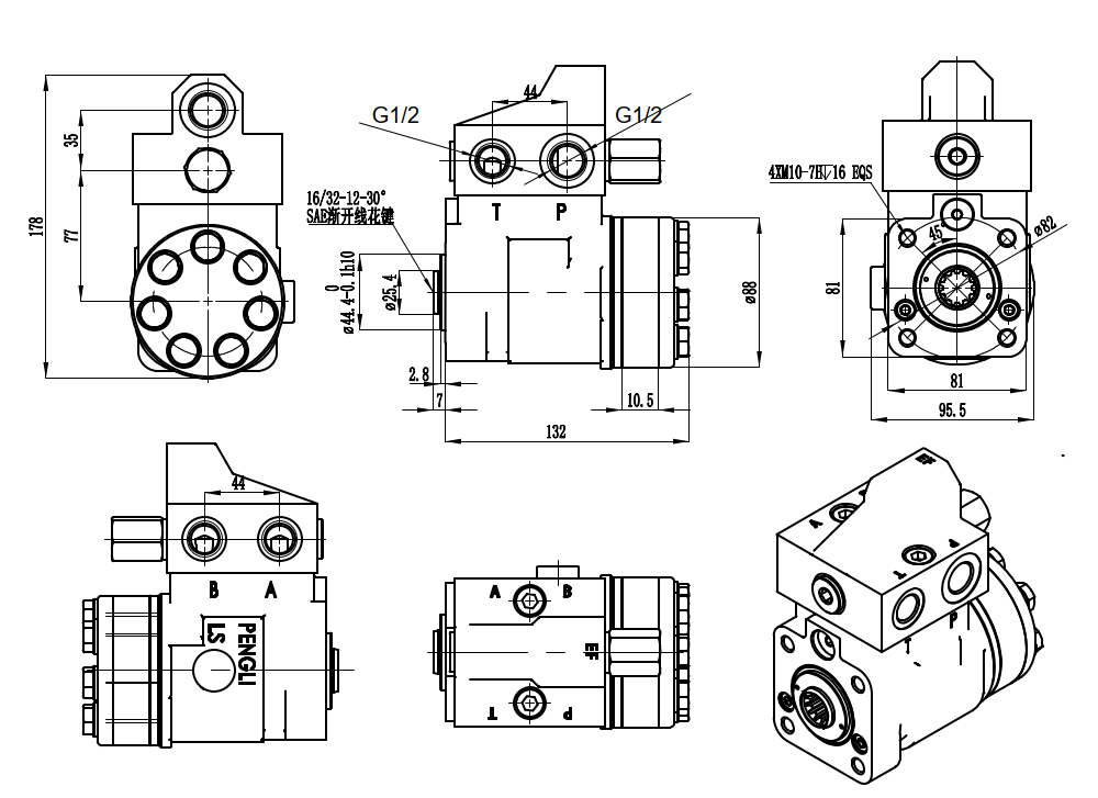
101S-5T-100-PV80 液压转向单元为各种应用提供可靠耐用的性能。凭借 100 毫升/转的排量和 17.5 兆帕的最大输入压力,这款铸铁单元可定制,非常适合物料搬运、建筑、工业车辆和农业领域的原始设备制造商 (OEM)、原始设计制造商 (ODM) 和分销商。
| 材质 | 铸铁 |
|---|---|
| 额定流量 | 5 L/min,6 L/min,8 L/min,10 L/min,12.5 L/min,16 L/min,20 L/min,25 L/min,28 L/min,31.5 L/min,40 L/min |
| 阀块 | 可定制 |
| 最大持续背压 | 2.5 Mpa |
| 最大输入压力 | 17.5 Mpa |
101S-5T-100-PV80 是一款专为严苛应用设计的高性能液压转向单元。其坚固的铸铁结构确保了长期耐用性和可靠性,即使在重载和极端操作条件下也能如此。该单元拥有 100 毫升/转的排量、17.5 兆帕的最大输入压力和 2.5 兆帕的最大连续背压,为各种机械提供充足的动力。10 升/分钟的额定流量确保了平稳灵敏的转向。101S-5T-100-PV80 的主要优势之一是其可定制的阀块,可以提供量身定制的解决方案以满足特定的应用需求。这种灵活性使其适用于集成到各种类型的设备中。其适用范围广泛,包括物料搬运(叉车、伸缩臂叉车)、建筑和土方工程(小型和中型挖掘机、反铲装载机、紧凑型轮式装载机、滑移装载机)、农业(拖拉机和前端装载机)以及工业车辆。我们提供制造、OEM(原始设备制造)、ODM(原始设计制造)、自有品牌、定制和批发选项。我们正在全球范围内积极寻找分销商、批发商、代理商和贸易伙伴,以扩大我们的业务范围,并将这款卓越的液压转向单元推向全球市场。



