极速交货
30天极速交货



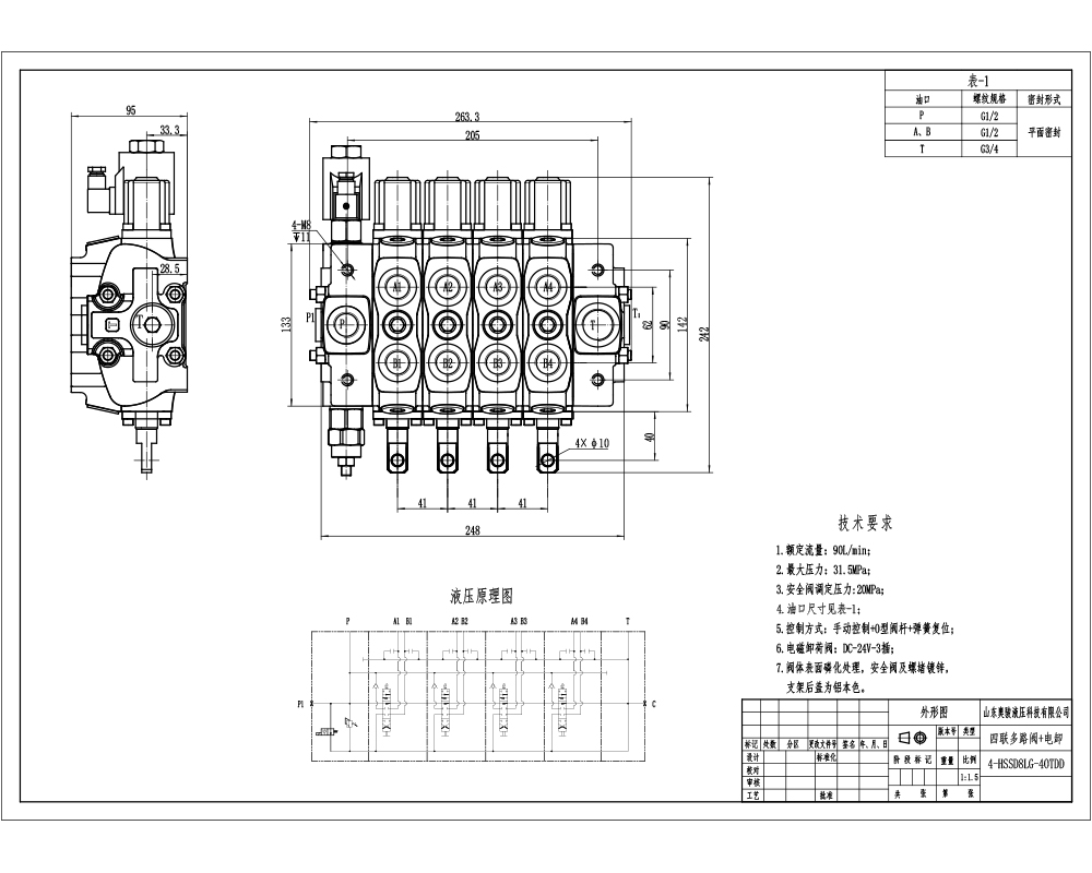
SD8电磁卸荷阀 手动4联多路换向阀是一款高性能液压阀,专为各种工业和移动设备中的严苛应用而设计。凭借其手动控制、4片阀芯设计和片式阀结构,它在液压系统中提供精确可靠的流量控制。
| 接口尺寸 | G1/2接口,SAE 10接头 |
|---|---|
| 联数 | 1联,2联,3联,4联,5联,6联,7联,8联,9联,10联 |
| 环境温度范围 | -40°C to +80°C (-40°F to +176°F) |
| 工作粘度范围 | 12 - 400 mm²/s (12 cSt to 400 cSt) |
| 出油口 | G1/2接口,G3/4接口,SAE 10接头,3/4 NPT螺纹 |
| 最大压力 | 250 bar (3600 psi),350 bar (5100 psi) |
| 额定流量 | 90 L/min (23.8 US gpm) |
| 结构类型 | 分片阀 |
| 进油口 | G1/2接口,G3/4接口,SAE 10接头 |
**产品特点和优势:**
* 手动控制,操作精确且响应灵敏
* 4片阀芯设计,实现多功能流量控制
* 片式阀结构,便于集成和模块化
* 额定流量90 升/分钟 (23.8 美制加仑/分钟),实现高效液压性能
* 最大压力350 巴 (5100 磅/平方英寸),适用于严苛应用
* 宽广的工作粘度范围12 - 400 mm²/秒 (12 厘沲至400 厘沲),兼容各种液压油
**应用:**
SD8电磁卸荷阀 手动4联多路换向阀适用于广泛的应用,包括:
* 物料搬运设备(叉车、伸缩臂叉装机、起重机)
* 工程和土方机械(挖掘机、装载机、平地机)
* 农业机械(拖拉机、收割机、打包机)
* 工业车辆(扫路车、垃圾压实机、钩臂式垃圾车)



