您在寻找什么?

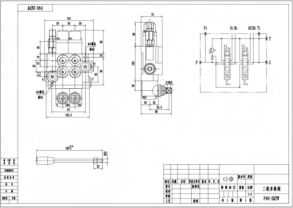
P40-G12-2QTW 手控 2路 单块式方向阀

控制方式:手控

路数:2路

品牌:BXHS

所属类别:单块式方向阀

产品系列:P40系列 单块式方向阀

产品尺寸:22*17*12

产品重量:4.80 kg

库存: 有货

  • 手控
  • 气控
  • 电气控
  • 电液控
  • 电磁
  • 液控
  • 液压和手动
  • 软轴
  • 一控二手柄控制
  • 手控+一控二
  • 1路
  • 2路
  • 3路
  • 4路
  • 5路
  • 6路
  • 7路
832 次查看了此产品

P40-G12-2QTW 手控 2路 单块式方向阀

P40-G12-2QTW 手控 2路 单块式方向阀

P40-G12-2QTW 手控 2路 单块式方向阀 drawing image

P40-G12-2OT 手动2联整体式方向控制阀是一款高性能液压阀,专为各行业严苛的应用而设计。该阀额定流量为40 升/分钟 (10.5 美制加仑/分钟),最大压力为250 巴 (3600 磅/平方英寸),可提供精确控制和高效流体管理。

额定流量 40 L/min (10.5 US gpm)
最大压力 250 bar (3600 psi)
进油口 G3/8接口,G1/2接口,M18×1.5螺纹,M22×1.5螺纹,SAE 8接头,SAE 10接头,3/8 NPT螺纹,1/2 NPT螺纹
出油口 G3/8接口,G1/2接口,M18×1.5螺纹,M22×1.5螺纹,SAE 8接头,SAE 10接头,3/8 NPT螺纹,1/2 NPT螺纹
接口尺寸 G3/8接口,G1/2接口,M18×1.5螺纹,SAE 8接头,SAE 10接头,3/8 NPT螺纹,1/2 NPT螺纹
联数 1联,2联,3联,4联,5联,6联,7联
结构类型 整体阀
环境温度范围 -40°C to +80°C (-40°F to +176°F)
工作粘度范围 15 - 75 mm²/s (15 cSt to 75 cSt)

**产品特点和优势:**



- 手动控制,操作精确

- 整体式结构,尺寸紧凑,经久耐用

- 2联设计,实现多功能流量控制

- 额定流量40 升/分钟 (10.5 美制加仑/分钟),效率高

- 最大压力250 巴 (3600 磅/平方英寸),适用于严苛应用

- 工作粘度范围15 - 75 毫米²/秒 (15 厘沲至75 厘沲),兼容多种流体

- 环境温度范围-40°C至+80°C (-40°F至+176°F),在恶劣环境下性能可靠



**应用领域:**



P40-G12-2OT 手动2联整体式方向控制阀广泛应用于多种领域,包括:



- 移动液压设备

- 工业机械

- 工程机械

- 农业机械

- 物料搬运系统

- 能源和采矿应用

P40-G12-2QTW 手控 2路 单块式方向阀

P40-G12-2QTW 手控 2路 单块式方向阀

P40-G12-2QTW 手控 2路 单块式方向阀

P40-G12-2QTW 手控 2路 单块式方向阀