极速交货
30天极速交货



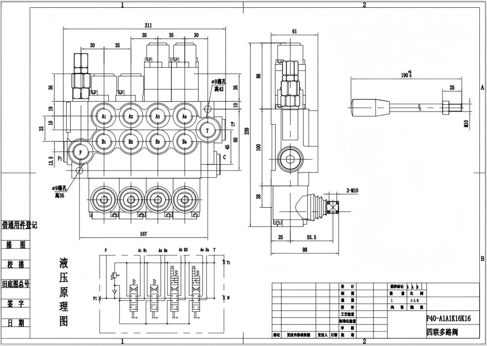
P40-G12-G38 手动4联整体式方向控制阀是一款高性能液压阀,专为物料搬运、建筑、农业和工业车辆等行业的各种应用而设计。凭借其坚固的结构、可靠的手动控制和紧凑的整体式设计,该阀在液压系统中提供精确的流量控制和方向切换。
| 额定流量 | 40 L/min (10.5 US gpm) |
|---|---|
| 最大压力 | 250 bar (3600 psi) |
| 进油口 | G3/8接口,G1/2接口,M18×1.5螺纹,M22×1.5螺纹,SAE 8接头,SAE 10接头,3/8 NPT螺纹,1/2 NPT螺纹 |
| 出油口 | G3/8接口,G1/2接口,M18×1.5螺纹,M22×1.5螺纹,SAE 8接头,SAE 10接头,3/8 NPT螺纹,1/2 NPT螺纹 |
| 接口尺寸 | G3/8接口,G1/2接口,M18×1.5螺纹,SAE 8接头,SAE 10接头,3/8 NPT螺纹,1/2 NPT螺纹 |
| 联数 | 1联,2联,3联,4联,5联,6联,7联 |
| 结构类型 | 整体阀 |
| 环境温度范围 | -40°C to +80°C (-40°F to +176°F) |
| 工作粘度范围 | 15 - 75 mm²/s (15 cSt to 75 cSt) |
**产品特点和优势:**
* 手动控制,操作精确灵敏
* 4联设计,实现多功能流量控制
* 整体式结构,紧凑无泄漏性能
* 流量容量:40 升/分钟 (10.5 美制加仑/分钟)
* 最大压力额定值:250 巴 (3600 磅/平方英寸)
* 宽泛的工作粘度范围:15 - 75 mm²/s (15 cSt 至 75 cSt)
* 坚固耐用的结构,适用于严苛的应用
**应用领域:**
P40-G12-G38 手动4联整体式方向控制阀适用于广泛的应用,包括:
* 物料搬运设备,如叉车、伸缩臂式装载机和起重机
* 建筑机械,如挖掘机、滑移装载机和平地机
* 农业车辆,如拖拉机、收割机和打包机
* 工业车辆,如扫地机、垃圾压实机和钩臂式垃圾车



