您在寻找什么?

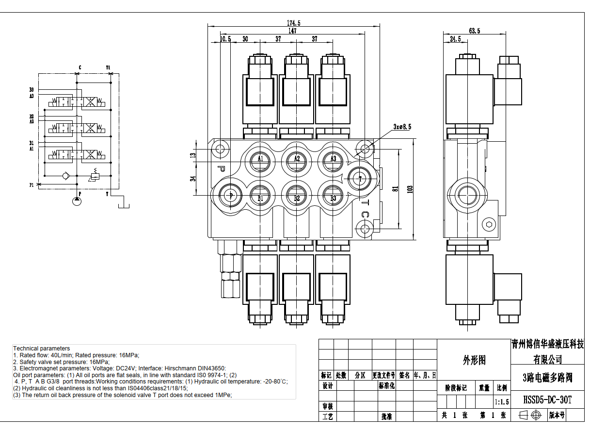
SD5 电磁 3路 单块式方向阀

控制方式:电磁

路数:3路

品牌:BXHS

所属类别:单块式方向阀

产品系列:SD5系列 单块式方向阀

产品尺寸:29*20*11

产品重量:7.50 kg

库存: 有货

  • 手控
  • 气控
  • 电气控
  • 电液控
  • 电磁
  • 液控
  • 液压和手动
  • 软轴
  • 一控二手柄控制
  • 1路
  • 2路
  • 3路
  • 4路
  • 5路
  • 6路
1244 次查看了此产品

SD5 电磁 3路 单块式方向阀

SD5 电磁 3路 单块式方向阀

SD5 电磁 3路 单块式方向阀 drawing image

SD5 电磁式3阀芯整体式方向阀是一款专为严苛应用设计的高性能液压阀。额定流量为40升/分钟,最大压力为305巴,它提供了出色的流量控制和压力处理能力。该阀的紧凑整体式设计确保了在恶劣操作条件下的耐用性和可靠性。

额定流量 40 L/min (10.5 US gpm)
最大压力 305 bar (4400 psi)
进油口 G3/8接口,G1/2接口,M18×1.5螺纹,M20×1.5螺纹,SAE 6接头,SAE 8接头,G1-1/2接口
出油口 G3/8接口,G1/2接口,M18×1.5螺纹,M20×1.5螺纹,SAE 6接头,SAE 8接头
接口尺寸 G3/8接口,G1/2接口,M18×1.5螺纹,M20×1.5螺纹,SAE 6接头,SAE 8接头
联数 1联,2联,3联,4联,5联,6联,7联
结构类型 整体阀
环境温度范围 -40°C to +60°C (-40°F to +140°F)
工作粘度范围 15 - 75 mm²/s (15 cSt to 75 cSt)

**特点和优势:**



* 紧凑的整体式设计,经久耐用,可靠性高

* 3阀芯设计,实现多功能流量控制

* 电磁控制,操作精确灵敏

* 额定流量40升/分钟,实现高效流体处理

* 最大压力305巴,适用于严苛应用

* 适用粘度范围15 - 75 mm²/s,兼容多种流体

* 环境温度范围-40°C至+60°C,可在极端条件下运行



**应用领域:**



* 移动液压系统

* 工业机械

* 建筑设备

* 农业机械

* 物料搬运设备

SD5 电磁 3路 单块式方向阀

SD5 电磁 3路 单块式方向阀

SD5 电磁 3路 单块式方向阀

SD5 电磁 3路 单块式方向阀