极速交货
30天极速交货



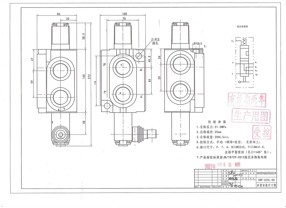
SHFY-G25L-00 手动 1 联整体式方向控制阀是一款紧凑、可靠、高性能的阀门,专为物料搬运、建筑、农业和工业车辆等多种应用而设计。凭借其单联、手动控制以及高流量和高压力容量,该阀门可为液压系统提供精确高效的控制。
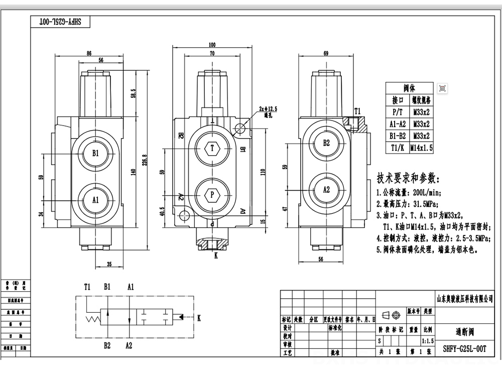
| 额定流量 | 200 L/min (52 US gpm) |
|---|---|
| 最大压力 | 315 bar (4600 psi) |
| 进油口 | M33×2.0螺纹 |
| 出油口 | M33×2.0螺纹 |
| 接口尺寸 | M33×2.0螺纹 |
| 联数 | 1联 |
| 结构类型 | 整体阀 |
| 环境温度范围 | -40°C to +80°C (-40°F to +176°F) |
| 工作粘度范围 | 12 - 400 mm²/s (12 cSt to 400 cSt) |
**产品特点与优势:**
* **耐用结构:** 采用优质材料制成,确保在严苛应用中的长寿命和高可靠性。
* **模块化设计:** 便于轻松定制并集成到不同的液压系统中。
* **多功能控制:** 提供精确的液压流量和压力控制,使连接设备发挥最佳性能。
* **宽广操作范围:** 可处理各种流量、压力和温度,确保与多种应用的兼容性。
* **高效率:** 最大限度地减少压降和能量消耗,提高整体系统效率。
**应用:**
SHFY-G25L-00 手动 1 联整体式方向控制阀适用于多种液压系统,包括:
* 物料搬运设备(叉车、起重机、伸缩臂式装载机)
* 工程机械(挖掘机、装载机、平地机)
* 农业设备(拖拉机、收割机、打包机)
* 工业车辆(扫地机、垃圾压实机、集装箱装卸车)
* 等等...



